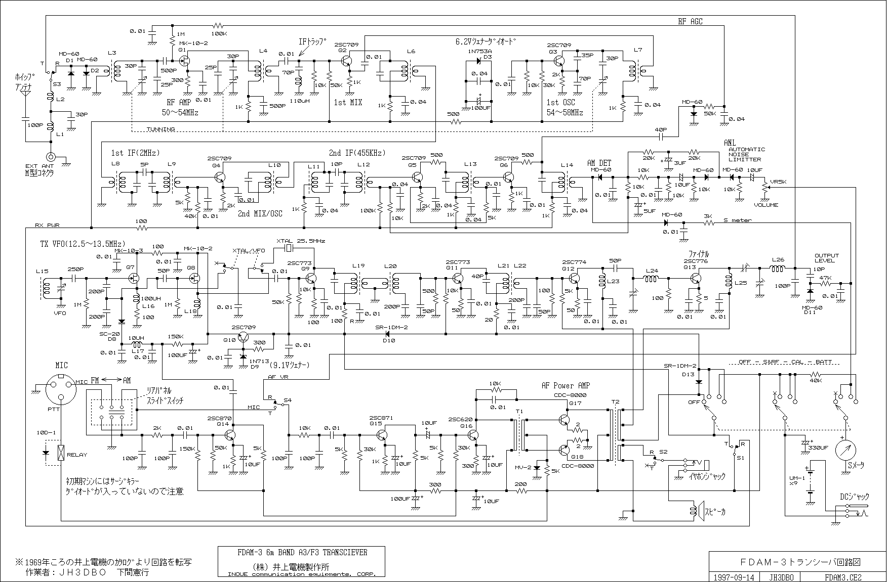
| GENERAL |
| Type: | Amateur VHF transceiver |
| Frequency range: | 6 m |
| Tuning steps: | Analog / continuous |
| Frequency stability: | ±? ppm |
| Mode: | AM / FM |
| Channels / memory management: |
1 regular
XTAL controlled
|
| Repeater shift / offset: | |
| Power supply: | 13.8 VDC |
| Current drain / power consumption: | RX: ? mA TX: ? A |
| Antenna impedance / connector: | 50 ohm / ? |
| Dimensions (W*H*D): | ? mm (?") |
| Weight: | ? Kg (? lb) |
| Other features: | |
|
|
|
|
| RECEIVER SECTION |
| Receiver system: |
Double conversion superheterodyne
1st IF: 2 MHz
2nd IF: 455 KHz
|
| Sensitivity: | |
| Selectivity: | |
| Image rejection: | |
| AF output power / speaker: | ? W at ?% distortion / ? ohm |
| External speaker connector: | |
|
|
|
|
| TRANSMITTER SECTION |
| RF output power: |
1 W
|
| Modulation system: | |
| Max FM deviation (Factory set): | ±? KHz |
| Spurious emissions: | Better than -? dB |
| Microphone impedance / connector: | ? ohm / 3-pin (Metal locking ring connector) |
| Microphone input level: | ? mV |
|
|
|
|
| MISCELLANEOUS |
| Manufactured: | Japan, 1969-197x (Discontinued) |
| Additional info: | |
| Related documents: |
Schematic (114 KB)
Redrawn schematic (30 KB)
|
| Modifications and fixes: | |
| Reviews: | |
| Options / Accessories: |
|